ヘッドフォンセレクタの自作ってむずかしい
私はPCからヘッドフォンを使用して音楽を楽しんでいる。
ヘッドフォンも安物ながら、そこそこ音がよいものをチョイスして聞いている。
後日紹介します
また、PCは2台あり各々に音楽ファイルが入っていて聞いている。
スペックとしては
吾輩のPCスペック
PC1
intel core2quad 9300
メモリ DDR2 6GB
マザーはGIGABYTE GA-EP35-DS3R
サウンドカード AUDIOTRAK PRODIGY HD2 ADVANCE
システム SSD 128GB
HDD 3台
ブルーレイドライブ
PC2
ようやく今年6月に入れ替えた機種だ
それまでは
MSIの9KAGM2 AthronX2 5600BEを使用後
子共のおさがりのM2A-VMとathronX2 5400を使用。
消費電力が常時100ワット以上と大したことしていないのに電気だけバカ食いしている機種から一念発起、妻も電気代が下がるならということで、賛成。
省電力化計画
ちなみに我が家では昨年一大プロジェクト(ちょっと大袈裟かな)を立ち上げ、
消費電力削減を始めた。その結果月の電気代が3分の2から半分程度まで下がった。
家じゅうの蛍光灯や白熱球をLEDに変え、こまめな消灯、その程度でも20%から30%程度は簡単に下がった。基本的に今までと同じ生活環境を保つことを条件でだ。
妻もこれには結構驚いていた。
だからPCを省電力可することに賛成したのだ。
そして今のセカンドPCは
Atom系のCPU J1900搭載の
asrock Q1900Mを購入
これにメモリを4GBX2
あとは3GBのHDD
これと起動用のSSD 60G
だけで運用。
ただし 音楽鑑賞が目的なため以前のマザーに乗せていた
サウンドカード ASUS Xonar DGがPCIスロットであり、Q1900Mはこれがなく
使えなくなってしまったためとりあえずオンボードで聞いていたがさすがに堪えられなくなり ASUS Xonar DSX を購入
これに 電源はpico PSU をACアダプターで使用している。
ACアダプタはこれ
起動時でも30wはいかず、アイドル時なら18w程度とサウンドカードを積んでいても以前のPCの5分の1程度の消費電力だ。レスポンスは以前のPCとさほど変わらない。
動画などはGPU支援が効くため非常に快適だ。変換などは、QSVを使えばPC1よりも半分程度で済む。
時代の流れとは恐ろしい・・・・
話はそれたが、上記のようなスペックでPC音楽ざんまいをしている。
ただしヘッドフォンでだが。・・
さすがにヘッドフォンもピンキリだが、耳が耳だけにそこそこ音がよければと思い最初は1000円程度のものから1万円以上のものまで、気が付いたら10個以上の所持数となっていた。
実は最初ヘッドフォンやイヤフォンに今日にがなく、100均のイヤホンを使用していた。がしかしどうも音に納得がいかない。そこでこんどはネットで調べ電気屋さんでも1000円以下で売っている比較的音のよいものを買ってみた。そしてそのとき驚いたのだ。
たかが1000円、されど1000円
さすがに100均のものとは天と地ほど違った。それからだ。音に貪欲になってきたのは。
やっぱりある程度納得の行く音で聞くなら、やはり1000円程度は必要だろう。
その中でも日ごろよく聞く機種というのは2個から3個程度。
いままでは、各々のPCから延長ケーブルを引き手元で差し替えしていた。
だがやはり面倒。でネットで調べると既成のヘッドフォンセレクタで安価なものは2000円程度からあるが、どうも評判が悪い。
たとえば
とか
こんなかんじのもの
切り替え時にポップノイズ(あのプチというやつ)がはいったり、音が出なかったりと問題もありそう、高価な機種を選べばないことはないようだが、私の懐事情と相談しなければならずやはりここは一大決心をして、セレクタを作ろうとなりました。
でまずは部品の調達
ロータリースイッチ SRRN142100
フォーンジャック MJ-073H
トグルスイッチ MS-500M-B
ツマミ WTN-15-1179/6.1 BK
ケース W-120B

ロータリースイッチはノンショーティングタイプとショーティングタイプがあり。次の端子に切り替わる時に前の端子と接触したままなのが、ショーティングタイプ、完全に分離するのがノンショーティングタイプとなる。
今回のようなセレクタの場合は、ショーティングタイプだと電気が逆流することになるので、アンプやサウンドカードの破損につながる可能性がある。
そのためノンショーティングタイプを選んだ。
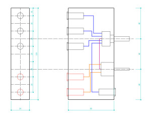
端子の数は
IN 2端子
OUT 4端子
そのためセレクタ用にロータリースイッチとトグルスイッチを併用したものとした
背面 IN 2端子 OUT 3端子
前面 ロータリースイッチとトグルスイッチ
OUT 1端子
とした
前面に1端子OUTを持ってきたのは 常時使わないものを入れ替えするのに便利なため、
背面OUT3端子は 日ごろ使っているものを接続
こんな想定で始めた。
そしていざ作成。
で作成しはじめたところ買ったボックスが小さすぎた。ソケット類とセットでボックスも検討し購入したところロータリースイッチの幅のほうがボックスの幅より大きくなり側面に配置すればできなくもなさそうだったが、意に沿わないため泣く泣くあきらめ、それならばと100均のダイソー、セリアとはしごし、ダイソーでは適当な大きさのアクリルケースがなかったが、セリアにはほぼ満足のいく大きさのケースがあった。


それを買いいざ工作開始。
工具類は以前からある程度は用意しておいたため
はんだ、ドリル等は問題なくあったが、ドリルビットや後述する黒スプレー等ある程度補充した
まずは、ケースに穴あけ
ある程度JWCADで設計しておいたため(といっても素人に毛が生えいた程度のもの)、

その寸法で穴を開けだしたが、なんか不均等。でも一度開けてしまうと後にはもどれない
また穴あけの時に使用した油性ペンがアルコール等を使っても消えず、最後はサンドペーパーで擦る羽目に。・・・
そして致命的だったのが塗装だ、スプレーはつや消しの黒をホームセンターで198円で買いそのまま吹き付けをしたが、アクリルケースはそのままでは剥げてしまうようで、また吹き付け時に薄くスプレーすると透けるし、吹き付けすぎると垂れる。そして 油性ペンでアクリルが溶けたみたいでその部分がペーパーかけても残る。そんな状態、いわゆる素人工作ってやつでさすがに納得いかず、またセリアへ、今度は2個買ってきた
さすがに2度目
2度目はやはり多少の慣れがあるみたいで、穴あけも比較的良好、印つけに使用した油性ペンも今度は水性ペンに変更して、水でも消せるようにした。
そして、最初のミスで養ったスプレー前のサンドペーパー。
これを全面、内外にやることで塗装ののりがめっちゃよくなる、そしてたれにくい。


スプレーして乾かしたところ
なかなかの出来



真ん中の穴の横に小さな穴がありますが、これはロータリースィッチの
回転抑止用の突起を入れるところ

ようやくなっとくのいくものが完成。
いよいよソケット、スイッチ類の取り付け。
ソケットはボックスに着けるまえにコードをはんだ付けしておいた。ボックスにつけてからだとはんだが難しくなるためだ。
そしてソケット6個すべてはんだ付けしたのがこれ。


ボックスへ取り付け
ソケットは配線を通しボックスへ取り付け、ロータリースイッチとトグルスイッチも取り付けた


そしてロータリースイッチとトグルスイッチにソケットに取り付けた配線をはんだ付けした。
これが結構大変。ロータリースイッチは端子の周りに接続端子がついており、一周する形でここに計15本
4ソケットx3端子=12端子がIN
トグルスイッチへOUT 3端子
ということになる。
途中何か所か付けたはんだがとれてしまい再度取り付けなおしたりとやはり素人にはちょっと大変ですね
はんだのテクニック
ここではんだのテクニックで一つ、それはソケットの端子に小さな穴が開いているが、細い単線の場合は穴に通る可能性もあるが、今回は複線を使用したためどうあがいても入らない。
Youtube等で精密はんだの仕方が事細かく乗っているためそちらを参照してもらいたいが、はんだで接着するようにすればうまくいく。
そのため、配線の先端と、ソケットの端子にもはんだをある程度塗布しておくとうまくいく。
そして結線したのがこれ

これで90パーセントは完成。
あとは短絡(ショート)していないか。
音はちゃんと出るか確認。
最初からPCにつなぐと故障の原因になるので、まずはいらなそうなポータブルラジオ等と100均のイヤホンを使用して音がでるか、ノイズは入らないかを確認した。
そして問題がなかったため、PCにつなぎ再度確認。
つなぐときのケーブル端子とセレクタの端子がメス同士なため、
変換プラグを使用
音は直接つないだ場合とほとんどかわらない。私の耳では
ただ、今回配線ケーブルを複線にしたため、PC1の方ではなんとなく音がはぶるような気がしました。
単線にしたら違ったかもしれません。

ちょっと設計図とちがったが現場合わせということでよいことに

しばらく使用した使用感。
使用し始めてから、すでに3か月以上が経っていますが、比較的順調、意外と超便利です。
ただ、基本1台のPCで聞いているためトグルスィッチがほとんど切り替えない。そのためか切り替えたときのPC2において片耳だけ音がでないときがあった。
ただ、スィッチを何回か切り替えするとちゃんと出るようになる。そのためはんだがとれたわけでもなさそうだ。
今は入力端子を入れ替えして、この音が出ないことがあるほうの位置をメインにして聞いているが音がでなくなることはなくなりました。
意外と自分でもよいものを作成したと自己満足に浸っています。
































ディスカッション
コメント一覧
まだ、コメントがありません